Přepěťová ochrana VCX DC třída T1T2 (B+C) 3P 1500V 12.5kA RED
Kód: DCBC3P1500V12-5KAPodrobný popis
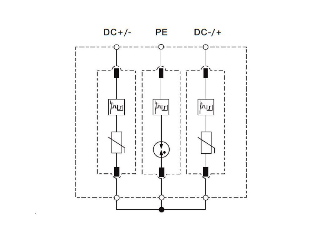
Přepěťová ochrana VCX DC třída T1+T2 (B+C) 3P 1500V 12.5kA RED
Technicky vyspělá přepěťová ochrana (svodič přepětí) vysoké kvality s funkcí ochrany proti přepětí třídy T1+T2 (B+C) je speciálně navržena pro ochranu fotovoltaických zařízení. Díky vizuálnímu indikátoru provozu umožňuje snadné sledování stavu ochrany – zelená barva znamená, že ochrana je aktivní, zatímco červená barva signalizuje, že ochrana již nefunguje.

Tato přepěťová ochrana je určena pro ochranu napájecích zařízení nízkého napětí (nn) proti přepětím způsobeným indukovanými a spínacími přepětími. Je vhodná pro instalaci v různých typech elektrických sítí, jako jsou TN-S, TN-C, IT a TT, kde garantuje účinné potenciálové vyrovnání v případě úderu bleskem.
Ochrana by měla být instalována současně jako první i druhá úroveň ochrany, ideálně v podlahových deskách nebo rozvodnicích, zejména na vstupních místech elektrických instalací do budov. Zajišťuje komplexní ochranu celé elektroinstalace i zařízení připojených k napájecí síti před částí bleskového proudu a dalšími typy přepětí.
Tento přepěťový chránič snižuje napětí a efektivně odvádí přepěťové proudy, a to jak z přímých, tak nepřímých úderů blesku. Poskytuje tak dvoustupňovou úroveň ochrany, což zajišťuje vysokou úroveň bezpečnosti pro různá zařízení, jako jsou počítače, spotřební elektronika a další elektrické spotřebiče.
Technické specifikace
- Třída ochrany: T1+T2 (B+C)
- Typ ochrany: Varistorová technologie (MOV-MOV-MOV)
- Maximální provozní napětí Ucpv: 1500 V DC
- Zkušební proud (In): 25 kA (8/20)
- Maximální proud (Imax): 20 kA (8/20)
- Impulsní proud (Iimp): 12,5 kA (10/350)
- Úroveň ochranného napětí (Up): < 5,5 kV
- Maximální průřez připojovacího vodiče: 35 mm²
- Provozní teplota: -30 °C až +50 °C
- Třída krytí: IP20 – chrání před vniknutím prstů nebo podobných předmětů.
- Odolnost proti zkratu (ISCPV): Navrženo pro dlouhodobý a spolehlivý provoz v náročných podmínkách.
- Ve shodě s normou EN 61643-31: Vztahuje se k ochraně proti přepětí a popisuje požadavky na zařízení na ochranu před přepětím (SPD) v fotovoltaických systémech. Poskytuje vysokou úroveň bezpečnosti a spolehlivosti.
Třídy přepěťových ochran (SPD – Surge Protective Devices)
Rozdělují se podle toho, jaký typ přepětí dokážou zvládnout a kde v elektroinstalaci se používají. V rámci ochrany před přepětím existují tři hlavní třídy:
Třída I (T1) – Hromosvodní ochrana
- Použití: Ochrana před přímým úderem blesku a jeho následnými účinky.
- Typ přepětí: Zvládá nejvyšší energetické impulzy.
- Místo instalace: Obvykle na vstupu do objektu, často na hlavním rozváděči v blízkosti hlavního přívodu elektřiny.
- Pracovní charakteristika: Ochrana proti přímým úderům blesku s proudy až do hodnot 100 kA. Třída I používá varistory nebo jiskřiště, která dokážou zvládnout vysoké proudy z bleskového výboje (10/350 µs).
Třída II (T2) – Ochrana proti přepětí v rozvodu
- Použití: Ochrana před přepětím vyvolaným nepřímými údery blesku nebo spínacími operacemi v síti.
- Typ přepětí: Střední úroveň ochrany.
- Místo instalace: Vnitřní rozvodné skříně nebo rozváděče v objektech, kde již byla použita ochrana třídy I.
- Pracovní charakteristika: Zajišťuje ochranu proti přepětí do hodnot do 40 kA (8/20 µs). Ochrana v této třídě chrání spotřebiče a zařízení uvnitř objektu před běžnými přepěťovými jevy v síti.
Třída III (T3) – Ochrana citlivých zařízení
- Použití: Ochrana před menším přepětím, které by mohlo poškodit citlivé elektronické zařízení, jako jsou počítače, televizory, routery apod.
- Typ přepětí: Nejnižší úroveň ochrany, zaměřená na nízké přepětí.
- Místo instalace: Přímo u koncových zařízení, blízko zásuvek nebo v zařízeních, která jsou připojena na napájecí síť.
- Pracovní charakteristika: Typicky se používá společně s třídami I a II. Ochrana třídy III zvládne přepětí do hodnot do 10 kA (8/20 µs) a poskytuje velmi citlivou ochranu elektroniky.
Kombinace tříd ochrany
Často se používá kombinace třídy I a třídy II (označené jako T1+T2 nebo B+C) pro zajištění komplexní ochrany proti široké škále přepěťových jevů v elektroinstalaci. Tato kombinovaná ochrana je ideální v systémech, jako jsou fotovoltaické instalace, kde je potřeba chránit jak před údery blesku, tak i před běžným přepětím.
Shrnutí:
- Třída I (T1): Ochrana před přímými údery blesku.
- Třída II (T2): Ochrana před běžným přepětím v rozvodné síti.
- Třída III (T3): Ochrana citlivých zařízení před nízkým přepětím.
Tyto třídy jsou důležité pro zajištění správné ochrany budov a zařízení proti přepětí, a proto je často důležité kombinovat jednotlivé třídy na různých místech elektroinstalace.
Přepětí - dělení
Přepětí je přechodné zvýšení napětí v elektrické síti, které může poškodit elektrické a elektronické zařízení. Přepětí se dělí podle původu na dvě hlavní kategorie: atmosférické přepětí a spínací přepětí. Každý z těchto typů přepětí má jiné charakteristiky a příčiny, a proto vyžaduje odlišné způsoby ochrany.
1. Atmosférické přepětí
Tento typ přepětí je způsoben přírodními jevy, zejména bouřkami. Dělí se dále na dvě podkategorie:
-
Přímý úder blesku:
- Nastává, když blesk udeří přímo do elektrické instalace, hromosvodu nebo blízké oblasti objektu. Přímý úder blesku může vést k extrémně vysokým přepětím, která mohou snadno poškodit zařízení.
- Výboj blesku může mít proud až do 200 kA, což znamená obrovskou energii, která se šíří po celé elektroinstalaci.
- Na ochranu před přímým úderem se používají přepěťové ochrany třídy I (T1), které zvládají velmi vysoké proudy a energii.
-
Nepřímý úder blesku:
- Vzniká, když blesk udeří v blízkosti elektrické sítě nebo vedení. I když blesk neudeří přímo do objektu, může způsobit přepětí šířící se elektrickým vedením.
- Toto přepětí je menší než přímý úder blesku, ale stále může poškodit citlivé elektronické zařízení.
- Na ochranu před nepřímým úderem blesku se používají přepěťové ochrany třídy II (T2).
2. Spínací přepětí
Tento typ přepětí je způsoben činností elektrických zařízení nebo spínacími operacemi v síti. Spínací přepětí vzniká náhlým vypnutím nebo zapnutím velkých zátěží, jako jsou transformátory, motory, klimatizační jednotky nebo velké průmyslové stroje.
- Příčiny:
- Vypínání nebo zapínání velkých induktivních nebo kapacitních zátěží.
- Krátkodobé výpadky proudu.
- Problémy v rozvodné síti (například zkrat nebo porucha v elektrárně).
- Charakteristika:
- Spínací přepětí obvykle netrvá dlouho, ale může dosáhnout vysokých napěťových hodnot, které mohou poškodit elektroniku, zejména citlivá zařízení.
- Spínací přepětí je méně nebezpečné než atmosférické přepětí, ale je častější.
- Pro ochranu proti spínacím přepětím se používají přepěťové ochrany třídy II (T2) a třídy III (T3) pro ochranu citlivých zařízení.
Další dělení přepětí podle trvání:
- Krátkodobé přepětí (přechodné):
- Trvá jen několik mikrosekund nebo milisekund.
- Typickým příkladem jsou atmosférické jevy, jako je úder blesku, nebo spínací přepětí způsobené přechodným vypnutím/vypnutím zařízení.
- Dlouhodobé přepětí (trvalé):
- Přetrvává po delší dobu (sekundy až minuty).
- Obvykle způsobeno poruchou v napájecí síti nebo špatným zapojením, například přerušením neutrálního vodiče.
Shrnutí:
- Atmosférické přepětí je způsobeno blesky a je rozděleno na přímé a nepřímé údery blesku.
- Spínací přepětí vzniká v důsledku činnosti elektrických zařízení a spínacích operací.
- Přepětí může být krátkodobé (přechodné) nebo dlouhodobé (trvalé).
Proč si pořídit přepěťovou ochranu?
UPOZORNĚNÍ
Z důvodu vysokého rizika spojeného s nesprávným připojením zařízení, které může vést k poškození elektrických spotřebičů, instalace by měla být provedena pouze kvalifikovanou osobou s odpovídající elektrotechnickou kvalifikací. Nesprávné zapojení může způsobit nejen nefunkčnost zařízení, ale i závažné poškození elektroinstalace, spotřebičů a dalších systémů v domácnosti nebo komerčních objektech.
Důrazně varujeme, že jakékoli pokusy o neodbornou instalaci mohou zvýšit riziko vzniku elektrických zkratů, požáru nebo jiných nebezpečných situací. V důsledku toho mohou vzniknout vážné materiální škody, zranění nebo jiné negativní následky.
Nepřebíráme žádnou odpovědnost za škody způsobené nesprávným zapojením či neodbornou montáží. Proto doporučujeme, aby byla montáž konzultována a provedena pouze profesionálním elektrikářem s platným osvědčením podle platných norem a předpisů.
Pokud si nejste jisti správným postupem při instalaci, kontaktujte odborníka, abyste zajistili bezpečné a správné fungování zařízení.
Dodatočné parametre
| Kategória: | VEĽKÉ A MALÉ SPOTREBIČE |
|---|---|
| Záruka: | 36 |
| EAN: | 5905440091760 |
| Registrácia - zľava: | 2.000 |
Hodnotenie tovaru
Buďte prvý, kto napíše príspevok k tejto položke.
Diskusia
Buďte prvý, kto napíše príspevok k tejto položke.
