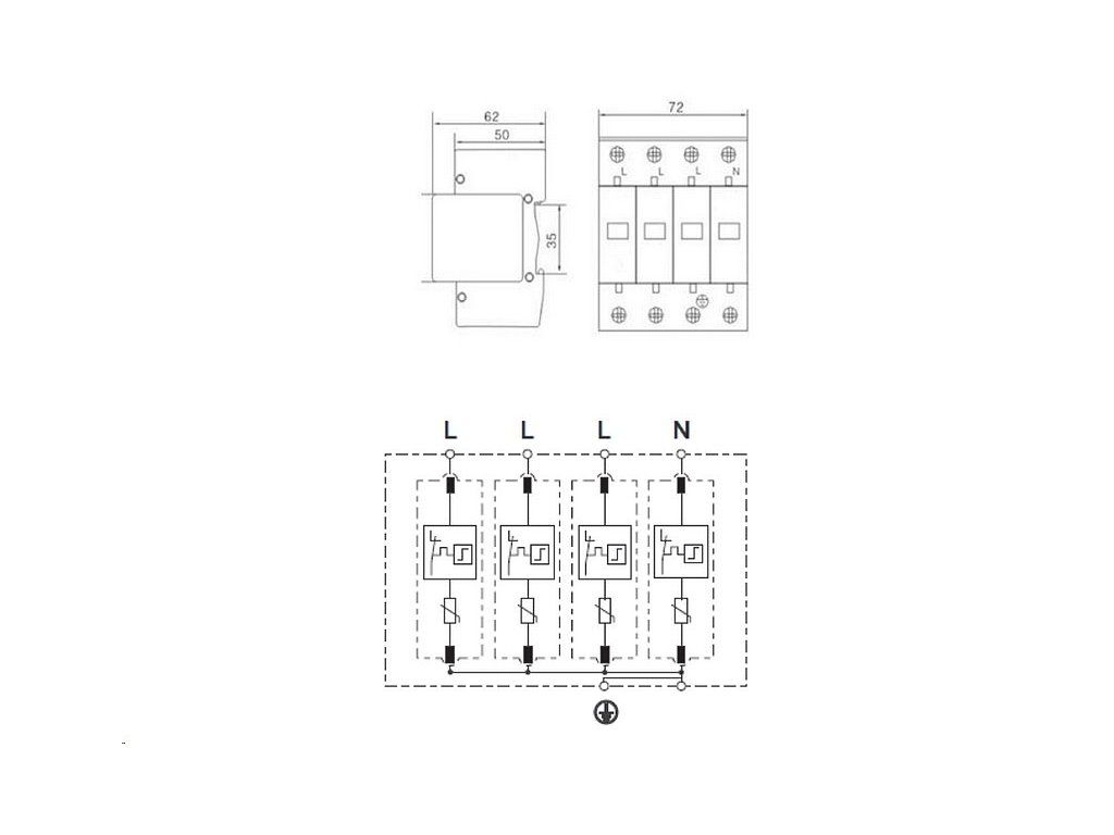
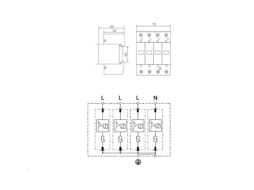
Přepěťová ochrana VCX L1-4-B+C AC třída T1T2 (B+C) 4P 8kA Professional
Kód: VCX-BC4P PROF. 8KAPodrobný popis
Přepěťová ochrana VCX L1-4-B+C AC třída T1+T2 (B+C) 4P 8kA Professional
Modulární přepěťová ochrana VCX-L1-4-B+C 8 kA třídy T1+T2 je určená k ochraně napájecích instalací NN proti indukovaným a spínacím přepětím.

Může být instalována v sítích typu TN-S, TN-C a IT. Měla by být montována jako druhá úroveň ochrany v podlahových rozváděčích, podružných rozváděčích.
Hlavní vlastnosti
• Zajišťuje úplnou ochranu elektrické instalace a elektrických zařízení z ní napájených.
• Poskytuje úplnou ochranu elektrické instalace a z ní napájených elektrických zařízení před účinky části bleskového proudu a jiných druhů přepětí.
• Snižuje přepětí a svádí na zem přepětí pocházející z obou typů přepětí - přímého i nepřímého. Současně poskytuje dvoustupňovou úroveň ochrany.
• Nevyžaduje použití tzv. oddělovacích tlumivek.
• Poskytuje účinnou ochranu počítačů, domácích spotřebičů apod.
• Vybavená vizuálním indikátorem provozu (zelená - ochrana, červená - bez ochrany).
TECHNICKÉ PARAMETRY
-
Třída ochrany: T1+T2
- Svodič poskytuje kombinovanou ochranu jak před přímými údery blesku (T1), tak i před přepětími způsobenými spínacími operacemi v síti (T2). Tato kombinace zajišťuje kompletní ochranu instalace proti různým typům přepětí.
-
Ochranný prvek: varistor
- Varistor je klíčovou součástí svodiče, která reaguje na přepětí změnou svého odporu. Při dosažení určitého napětí jeho odpor prudce klesne, čímž rychle odvede nadměrný proud do země a chrání tak instalaci před poškozením.
-
Připojení max: 35 mm²
- Tento svodič podporuje připojení vodičů s průřezem až 35 mm², což je běžné pro elektrické rozvody v průmyslových a komerčních instalacích.
-
Maximální provozní napětí: Uc 275V AC
- Maximální trvalé provozní napětí je 275V AC, což odpovídá standardnímu napětí ve většině elektrických sítí, a zajišťuje, že svodič je vhodný pro běžné aplikace v nízkonapěťových rozvodech.
-
Zkušební proud In (8/20): 25 kA
- Zkušební proud pro vlnu 8/20 µs je 25 kA, což znamená, že svodič je navržen pro zvládnutí velkých přechodných proudových špiček, které mohou vzniknout například při spínání silových zařízení.
-
Maximální proud Imax (8/20): 50 kA
- Maximální svodový proud při vlně 8/20 µs je 50 kA. Tato hodnota ukazuje schopnost svodiče absorbovat velmi silné proudové rázy bez poškození, což je zásadní pro ochranu před většími přepětími.
-
Impulsní proud Iimp (10/350): 8 kA
- Impulsní proud pro vlnu 10/350 µs činí 8 kA. Tento parametr je klíčový pro ochranu před přímými bleskovými výboji, protože tato vlna simuluje reálné bleskové proudy.
-
Napěťová ochranná úroveň: <1,5 kV
- Napěťová ochranná úroveň specifikuje maximální zbytkové napětí, které může být propouštěno do zařízení při přepětí. Hodnota menší než 1,5 kV je dostatečně nízká, aby zajistila bezpečnost citlivých elektronických zařízení.
-
Teplota skladování: -30°C až +70°C
- Svodič je schopen bezpečného skladování při teplotách od -30°C do +70°C, což umožňuje jeho použití v širokém spektru podmínek.
-
Provozní okolní teplota: -30°C až +50°C
- Provozní teplota zařízení je v rozmezí -30°C až +50°C, což zajišťuje jeho funkčnost v různých klimatických podmínkách, běžných pro instalace v interiérech.
-
Ochrana krytí: IP20
- Ochrana krytí IP20 znamená, že zařízení je chráněno proti vniknutí pevných částic větších než 12,5 mm, ale není chráněno proti vniknutí vody. Tento svodič je tedy vhodný pro instalaci do vnitřních prostorů, kde nehrozí přímý kontakt s vodou.
- Ochrana krytí IP20 znamená, že zařízení je chráněno proti vniknutí pevných částic větších než 12,5 mm, ale není chráněno proti vniknutí vody. Tento svodič je tedy vhodný pro instalaci do vnitřních prostorů, kde nehrozí přímý kontakt s vodou.
Instalace ochrany
Přepěťové ochrany by měly být instalovány v místech vstupu elektrických instalací do budovy. Zajišťují úplnou ochranu elektrické instalace a elektrických zařízení z ní napájených před částí bleskového proudu a dalšími druhy přepětí. Snižují přepětí a svádějí na zem přepěťové proudy z obou typů přepětí - přímých i nepřímých.
Současně poskytují dvoustupňovou úroveň ochrany. Použití modulárních přepěťových ochran VCX-L1-4-B+C 8kA třídy T1+T2 nevyžaduje použití oddělovacích tlumivek. Poskytují účinnou ochranu počítačů, spotřební elektroniky/spotřebičů atd. Jsou vybaveny vizuálním indikátorem provozu (zelená - ochrana, červená - bez ochrany).
Jak překonat indukované a spínací přepětí?
Dopady indukovaných a spínacích přepětí na domácí nebo podnikovou elektrickou síť jsou obvykle žalostné. Přepětí, tj. náhlé zvýšení napětí nad jmenovitou hodnotu (bezpečnou pro elektrická zařízení, jako jsou počítače nebo televizory), jsou velmi nebezpečná a předznamenávají značné náklady na opravy a výměny.
Naše VCX modulární přepěťové ochrany třídy T1+T2 (B+C), 8 kA jsou vynikajícím způsobem, jak chránit instalace napájení nn před účinky takových událostí. Svodiče přepětí třídy T1+T2 (B+C), 8kA by měly být instalovány v místech, kde elektrická instalace vstupuje do budovy.
Zajišťují ochranu instalace a elektrických zařízení z ní napájených před částí bleskového proudu a dalšími typy přepětí. Každá z našich přepěťových ochran třídy T1+T2 (B+C), 8kA je certifikovaná a její parametry překračují deklarované díky použití patentovaného varistorového prvku! Svodiče přepětí třídy T1+T2 (B+C), 8kA nevyžadují dodatečnou tepelnou ochranu!
Vyhovuje všem normám
Modulární přepěťové ochrana VCX-L1-4-B+C třídy T1+T2 8kA splňuje příslušné požadavky harmonizačních právních předpisů EU:
LVD 2014/35/EU - směrnice Evropského parlamentu a Rady ze dne 26. února 2014 o harmonizaci právních předpisů členských států týkajících se dodávání elektrických zařízení určených pro používání v určitých mezích napětí na trh. Odkazy na příslušné použité harmonizované normy nebo na jiné technické specifikace, ve vztahu k nimž je prohlášena shoda:
EN 61643-11
Modulární přepěťové ochrany VCX-L1-4-B+C 8kA třídy T1+T2 jsou v souladu se směrnicí ROHS 2015/863/EU.
Byly také úspěšně testovány Úřadem pro zkoušení kvality Svazu polských elektrikářů.
Jakości Stowarzyszenia Elektryków Polskich (BBJ SEP).
Přepěťové ochrany - základní informace
Přepěťové ochrany, známé také jako svodiče přepětí, jsou důležitým prvkem elektrických instalací, které chrání zařízení před škodlivými účinky přepětí. Přepětí může být způsobeno různými faktory, jako jsou údery blesku, spínací operace v elektrické síti nebo přechodné změny napětí. Tyto přechodné jevy mohou vést k poškození citlivé elektroniky a dalších elektrických spotřebičů, což zdůrazňuje důležitost použití kvalitní přepěťové ochrany.
Základní informace o střídavém proudu (AC)
Střídavý proud (AC) je typ elektrického proudu, kde dochází k pravidelným změnám směru toku proudu. V běžných rozvodech elektřiny dochází ke střídání mezi kladnou a zápornou polaritou s frekvencí 50 Hz (v Evropě), což znamená, že se směr proudu změní 50krát za sekundu. Tento typ proudu je využíván v domácnostech i v průmyslových aplikacích, protože je snadno přenosný na velké vzdálenosti.
Přepěťová ochrana
Svodič přepětí, někdy označovaný také jako bleskojistka, je zařízení navržené k ochraně elektrických systémů a zařízení připojených k síti před náhlými nárůsty napětí. Přepěťová ochrana funguje tak, že když napětí překročí bezpečnou úroveň, svodič přepětí aktivně odvádí nadbytečnou energii do země, čímž zabraňuje tomu, aby vysoké napětí dosáhlo chráněných zařízení.
Funkce svodiče přepětí
Hlavní funkcí svodiče přepětí je omezit velikost přechodných přepětí na úroveň, která neohrozí instalaci ani připojená zařízení. Tím se zamezí poškození elektrických obvodů a zařízení, jako jsou počítače, televizory, lednice a další domácí nebo průmyslové spotřebiče.
Přepěťová ochrana je nezbytná pro zajištění bezpečného a spolehlivého provozu elektrických systémů, ať už v domácnosti nebo v průmyslových aplikacích. Správný výběr a instalace přepěťové ochrany významně snižuje riziko poškození zařízení a přispívá k delší životnosti elektrických instalací.
Typy přepěťových ochran
Existuje několik typů přepěťových ochran, které jsou určeny pro různé aplikace:
- Svodiče přepětí typu 1 (třída B) – Tyto svodiče jsou navrženy k ochraně před přímými údery blesku a vysokými přepětími v elektrické síti. Jsou umístěny na vstupu do budovy a chrání celou instalaci.
- Svodiče přepětí typu 2 (třída C) – Tyto svodiče se používají k ochraně před přepětími způsobenými spínacími operacemi nebo nepřímými údery blesku. Často se instalují do rozvaděčů uvnitř budov.
- Svodiče přepětí typu 3 (třída D)– Tyto svodiče poskytují ochranu jednotlivým spotřebičům nebo zařízení. Často se instalují blízko citlivých zařízení, například ve formě zásuvkových svodičů.
Jak vzniká přepětí v elektrické instalaci?
Přepětí v elektrické instalaci může vzniknout z různých zdrojů, přičemž některé jsou spojeny s atmosférickými jevy, zatímco jiné mají technický původ v provozu zařízení. Zde jsou hlavní způsoby vzniku přepětí:
1. Úder blesku
- Přímý úder blesku do budovy nebo jejího napájecího vedení: Tento případ způsobí velmi vysoké přepětí, které se šíří elektrickou instalací. Úder blesku může přímo zasáhnout strukturu budovy nebo napájecí vedení, což vytvoří enormní napěťovou špičku. Pokud není instalována přepěťová ochrana, tato energie může zničit připojená zařízení a poškodit elektrické rozvody.
- Výboj do systému ochrany před bleskem (hromosvodu): I když je budova chráněna hromosvodem, může se část bleskového proudu indukovat do elektrické instalace, což vyvolá přepětí.
- Výboj do venkovních zařízení: Externí zařízení, jako jsou klimatizační jednotky, ovládání brány, nebo venkovní osvětlení, jsou rovněž náchylná k zásahům bleskem. Tyto výboje mohou způsobit šíření přepětí do celé elektrické sítě objektu.
- Výboj blesku do sousedních objektů: Přepětí se může šířit i od vzdálenějšího objektu, pokud blesk zasáhne objekt nebo venkovní instalaci do vzdálenosti až 2 km. Napěťová vlna se může indukovat přes napájecí vedení do dalších budov v okolí.
2. Komutační (spínací) přepětí
- Spínací operace v průmyslových zařízeních: Přepětí může vzniknout i v důsledku rychlého zapínání a vypínání velkých elektrických strojů a zařízení, jako jsou motory, transformátory nebo indukční zařízení. Při spínání těchto zařízení se v obvodech vytváří přechodné napěťové špičky, které mohou vyvolat přepětí v elektrické síti.
- Provoz klimatizací a jiných velkých spotřebičů: Zapínání a vypínání spotřebičů, jako jsou klimatizace, výtahy nebo elektrické brány, může vést k přechodným proudovým rázům, které vyvolávají přepětí v síti.
3. Indukované přepětí
- Přepětí může být také indukováno elektromagnetickými poli, která vznikají při blízkých výbojech blesku, i když nezasáhnou přímo objekt. Vysoké elektromagnetické pole způsobené bleskem může vyvolat napěťové špičky v kabelech a vodičích elektrické instalace.
4. Poruchy v síti
- Někdy může být přepětí způsobeno také problémy v rozvodné síti, například při výpadcích proudu, chybném uzemnění, nebo při zapínání velkých transformátorů a generátorů.
Důsledky přepětí
Pokud není instalována účinná přepěťová ochrana, může přepětí způsobit vážné poškození elektrických spotřebičů, zkraty v elektrických rozvodech, a dokonce i požáry. Citlivé elektronické přístroje, jako jsou počítače, televize a další elektronika, jsou zvláště náchylné k poškození.
Prevence a ochrana před přepětím, včetně instalace vhodných přepěťových ochran, je proto klíčová pro zajištění bezpečnosti a spolehlivosti elektrických instalací v domácnostech i průmyslu.
Svodiče přepětí střídavého proudu (AC)
Svodiče přepětí mají skutečně klíčovou roli v ochraně elektrických systémů a zařízení před nežádoucími vlivy přepětí. Jak jste zmínil, jejich hlavní funkcí je omezit následné proudy a zkrátit trvání přepětí, což chrání citlivé komponenty a izolaci v síti. Přepětí může být způsobeno nejen úderem blesku, ale také spínacími operacemi v elektrické síti, například při zapínání nebo vypínání nezatíženého vedení.
Svodiče typu 1 (třída B) jsou konstruovány tak, aby ochránily elektrické instalace a zařízení před přímým úderem blesku, který by mohl zasáhnout napájecí vedení nebo systémy ochrany před bleskem. Jsou instalovány na vstupu elektrické sítě a fungují jako první linie obrany před velkými přepětími způsobenými atmosférickými vlivy.
Svodiče typu "1+2" (třída B+C) jsou kombinované svodiče, které mají širší ochranný rozsah. Kromě ochrany před atmosférickými vlivy, včetně úderu blesku, zajišťují také ochranu proti přepětím způsobeným spínáním v síti. To z nich činí ideální volbu pro komplexní ochranu elektrických instalací, neboť jsou schopny reagovat na různé druhy přepětí, jak od blesků, tak od spínacích operací.
Tyto svodiče jsou důležité zejména v průmyslových a obytných budovách, kde ochrana elektrické sítě nejenže chrání citlivá zařízení, ale také zvyšuje celkovou spolehlivost systému a minimalizuje riziko nákladných oprav nebo výpadků způsobených poškozením přepětím.
Svodiče typu 3 (třída D) jsou navrženy pro ochranu jednotlivých zařízení nebo malých spotřebičů před nízkými přepěťovými špičkami, které se mohou dostat přes primární a sekundární přepěťové ochrany (tj. typu 1 a typu 2). Svodiče typu 3 se obvykle instalují v blízkosti koncových zařízení a chrání před přepětím způsobeným spínacími operacemi, indukovanými přepětími nebo zbytky atmosférického přepětí, které se mohou dostat až k jednotlivým spotřebičům.
Výběr svodiče přepětí (přepěťové ochrany)
Při výběru svodiče přepětí (přepěťové ochrany) je klíčové zohlednit několik technických faktorů a standardů, které zajistí efektivní ochranu vaší instalace. Zde jsou hlavní aspekty, na které je potřeba se zaměřit:
1. Maximální trvalé provozní napětí (UC)
- Je důležité, aby svodič byl navržen pro provoz při napětí, které je trvale přítomné mezi fázovým a nulovým vodičem. Například pro běžnou síť s napětím 230/400 V AC by měl být zvolen svodič s odpovídajícím hodnotou UC, která je alespoň taková, jako maximální napětí v síti.
- Zajištění správného UC zaručuje, že svodič nebude zbytečně aktivován při běžném provozu a zároveň dokáže účinně reagovat na přepětí.
2. Průběh přepěťového proudu (10/350 µs)
- Tento průběh specifikuje typický tvar bleskového proudu a určuje, jak rychle a s jakou intenzitou přepěťová vlna zasáhne systém.
- Svodiče přepětí typu 1, které chrání před přímými údery blesku, musí být dimenzovány na zvládnutí tohoto průběhu. Proudová vlna 10/350 µs znamená, že nárůst proudu trvá 10 µs a pokles na 50 % trvá 350 µs. Svodič musí být tedy schopný absorbovat velmi silné proudy během této krátké doby, aby ochránil zbytek instalace.
3. Výběr typu svodiče podle kategorie ochrany
- Typ 1 (třída B): Pokud instalace vyžaduje ochranu proti přímým úderům blesku, je nutné použít svodič s vyšší absorpční schopností a s odolností na průběh 10/350 µs. Tento svodič je instalován u hlavního rozvaděče a poskytuje primární ochranu.
- Typ 2 (třída C): Tento svodič se používá na sekundární ochranu uvnitř budovy a chrání zařízení před přepětími, která vznikají spínáním nebo nepřímými údery blesku. Má nižší absorpční schopnost než typ 1.
- Typ 3 (třída D): Tyto svodiče jsou určeny pro koncovou ochranu jednotlivých zařízení, například pro ochranu elektroniky v zásuvkách.
4. Úroveň ochrany (Up)
- Up je maximální zbytkové napětí, které může svodič propustit, aniž by zařízení za ním bylo ohroženo. Nižší Up znamená lepší ochranu citlivé elektroniky. Hodnoty Up se liší podle typu svodiče:
- Typ 1: Up se pohybuje kolem 2,5–4 kV
- Typ 2: Up je obvykle 1,5 kV
- Typ 3: Up může být méně než 1,5 kV
5. Impulsní proud (Iimp)
- Je třeba zkontrolovat, jaký maximální impulsní proud je schopen svodič absorbovat bez poškození. Pro svodiče typu 1 je tento parametr klíčový, protože definuje jejich schopnost absorbovat proudy přímého úderu blesku. Typicky se pohybuje mezi 12,5 a 25 kA (pro 10/350 µs).
6. Normy a certifikace
- Při výběru svodiče přepětí by měl být produkt v souladu s příslušnými normami, jako je ČSN EN 61643-11. Tato norma stanovuje požadavky na přepěťové ochrany a jejich klasifikaci.
7. Instalace svodiče
- Svodiče typu 1 a 2 jsou zpravidla instalovány do hlavního rozvaděče, zatímco typ 3 se instaluje přímo u citlivých zařízení. Je třeba dbát na správnou velikost vodičů pro připojení svodiče, stejně jako na dostatečné uzemnění.
Při dodržení těchto zásad zajistíte, že přepěťová ochrana bude účinně chránit vaši elektrickou instalaci a zařízení před nepředvídanými výboji a poškozením.
UPOZORNĚNÍ
Z důvodu vysokého rizika spojeného s nesprávným připojením zařízení, které může vést k poškození elektrických spotřebičů, instalace by měla být provedena pouze kvalifikovanou osobou s odpovídající elektrotechnickou kvalifikací. Nesprávné zapojení může způsobit nejen nefunkčnost zařízení, ale i závažné poškození elektroinstalace, spotřebičů a dalších systémů v domácnosti nebo komerčních objektech.
Důrazně varujeme, že jakékoli pokusy o neodbornou instalaci mohou zvýšit riziko vzniku elektrických zkratů, požáru nebo jiných nebezpečných situací. V důsledku toho mohou vzniknout vážné materiální škody, zranění nebo jiné negativní následky.
Nepřebíráme žádnou odpovědnost za škody způsobené nesprávným zapojením či neodbornou montáží. Proto doporučujeme, aby byla montáž konzultována a provedena pouze profesionálním elektrikářem s platným osvědčením podle platných norem a předpisů.
Pokud si nejste jisti správným postupem při instalaci, kontaktujte odborníka, abyste zajistili bezpečné a správné fungování zařízení.
Dodatočné parametre
| Kategória: | VEĽKÉ A MALÉ SPOTREBIČE |
|---|---|
| Záruka: | 36 |
| Hmotnosť: | 0.6 kg |
| EAN: | 5901122686705 |
| Registrácia - zľava: | 2.000 |
Hodnotenie tovaru
Buďte prvý, kto napíše príspevok k tejto položke.
Diskusia
Buďte prvý, kto napíše príspevok k tejto položke.
