Elektroměr Eleman DTS 353-L 2 TARIF 100A 7modulový LCD
Kód: EMA-ELPRMR0548407Podrobný popis
Elektroměr Eleman DTS 353-L 2 TARIF 100A 7modulový LCD
Podružný 3-fázový 2-tarifní digitální elektroměr pro přímé informativní měření DTS 353-L, 100A, 7mod. výrobce Eleman.
Třífázový elektroměr s dvoutarifním LCD displejem pro střídavé napětí 3x230 V / 400 V, 50Hz, slouží k měření činné elektrické energie v přímém zapojení do obvodu. Je určen na podružné měření spotřeby samostatných spotřebičů nebo spotřebičů ve skupinách.
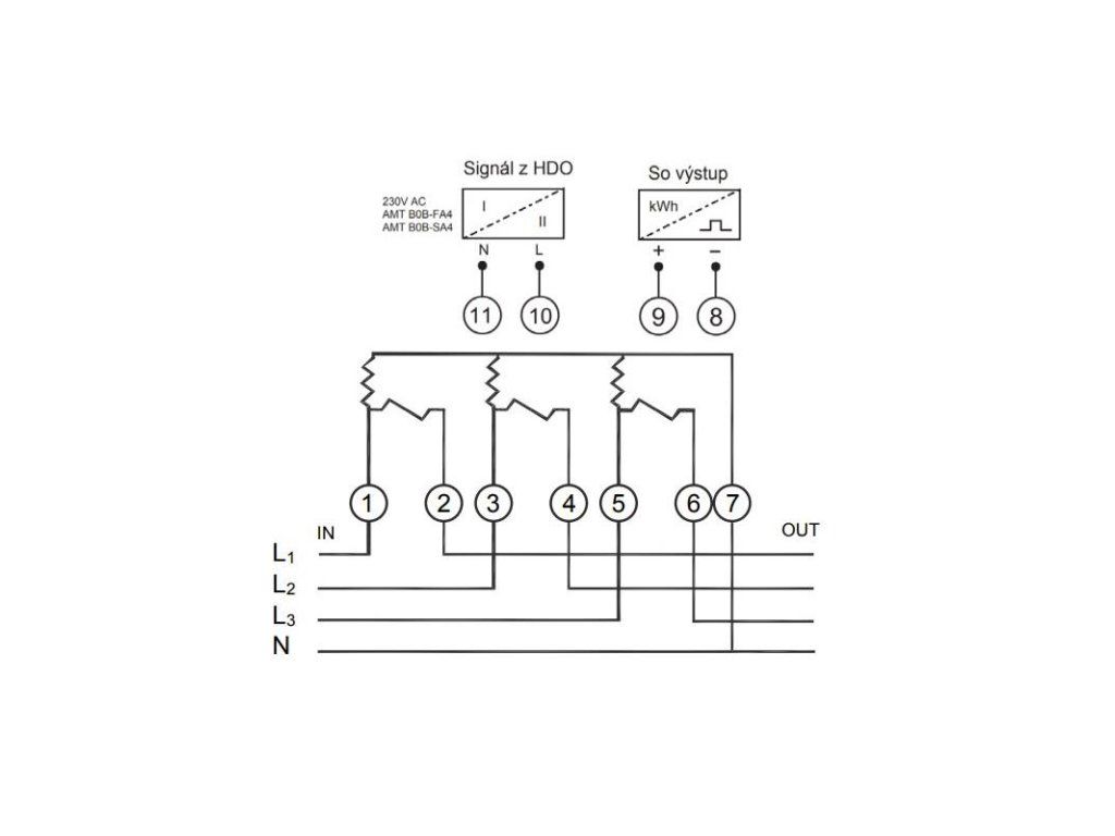
Jedná se o přesný elektroměr, který měří již od minimálních hodnot protékajícího proudu (0,5 A) až po 100 A. Dvoutarifní LCD displej zobrazuje hodnoty na číselníku od 00000,01 až 99999,99 [kWh] a to bez přivedeného napájení po dobu až 10 let (záleží na okolním prostředí), zobrazené naměřené hodnoty nelze vymazat. Pro změnu tarifu DEN / NOC připojte signál z HDO „nulový vodič“ na svorku č.11. Indikační LED blikají při odběru konkrétní fáze.
Elektroměr má impulzní výstup na svorkách (9) S0+ a (8) S0-. To umožňuje připojení externího zařízení, které počítá impulzy (S0 dle normy DIN 43864) generované elektroměrem. Ke správné funkci elektroměru se nevyžaduje zapojení tohoto doplňkového zařízení. Montuje se na nosnou lištu 35 mm (DIN lištu), vestavná šířka je 122 mm (7 mod.). Šroubové svorky pro pohodlné připojení vodičů až do průřezu 35 mm2 . Utahovací moment šroubů : svorka č. 1-7 = 3,0 - 4,0 Nm, svorka č. 8-11 = 1,5 - 2,5 Nm. Vlastní spotřeba je menší než 2 W.
• DTS 353-L 100A
• Napájení 3x 230 V / 400 V
• Max proud. zatížení 100 A
• LCD displej se zálohou
• chodu cca 10 let
• Šířka 7 modulů (122 mm)
• Impulzní výstup S0 (DIN 43864)
• Napětí impulzu <30 V DC
• Proud impulzu <27 mA
• Signalizace impulzu blikající
• červená LED
• Konstanta elektroměru (impulzu)
• 800 imp./kWh (RA= 1,25 Wh/imp.)
• Šroubové svorky do 35 mm2
• Vlastní spotřeba <10 VA; <2W
• Třída přesnosti 1 (EN61036)
• Provozní teplota -20 až +55 °C
PARAMETRY PRODUKTU
• Počet měřených fází: 3-fázový
• Maximální měřený proud [A]: 100
• Typ displeje: LCD displej
• Podsvětlený displej Ne
• Počet tarifů elektroměru: 2-tarifní
• Přímé/nepřímé měření: Přímé měření
• Způsob montáže elektroměru: Na nosnou lištu 35 mm
• Certifikace MID: Ne
• Max. průřez připoj.vodičů vstup 35 mm2
• Max. průřez připoj.vodičů výstup 35 mm2
Dodatočné parametre
| Kategória: | VEĽKÉ A MALÉ SPOTREBIČE |
|---|---|
| Záruka: | 24 |
| EAN: | 8592847000180 |
| Maximální měřený proud [A]:: | 100 |
| Počet tarifů elektroměru:: | 2-tarifní |
| Max. průřez připoj.vodičů vstup: | 35 mm2 |
| Max. průřez připoj.vodičů výstup: | 35 mm2 |
| Počet měřených fází:: | 3-fázový |
| Typ displeje:: | LCD displej |
| Způsob montáže elektroměru:: | Na nosnou lištu 35 mm |
| Certifikace MID:: | Ne |
| Podsvětlený displej: | Ne |
| Přímé/nepřímé měření:: | Přímé měření |
| Maximální proud: | 100 A |
| Počet fází: | 3 fázový |
| Počet modulů: | 7 |
| Tarify: | Vícetarifní |
Hodnotenie tovaru
Buďte prvý, kto napíše príspevok k tejto položke.
Diskusia
Buďte prvý, kto napíše príspevok k tejto položke.
